调频连续波雷达水位计的通用原理为工作在 76-81GHz 的调频连续波(FMCW)雷达产品在安装位置发射电磁波,电磁波碰到介质反射后被雷达接收,接收信号与发射信号之间的频率差δf和介质表面的距离R成一定比例关系:R=C(速度)* δf(频率差) /2/K(调频斜率)。因为光速 C 和调频斜率K已知,因此算出频率差δf,便可得到雷达安装位置到液面的距离R ,再通过已知的安装高度,减去雷达到液面的空间距离(简称空高),得出液位的高度。
调频连续波雷达水位计的通用原理为工作在 76-81GHz 的调频连续波(FMCW)雷达产品在安装位置发射电磁波,电磁波碰到介质反射后被雷达接收,接收信号与发射信号之间的频率差δf和介质表面的距离R成一定比例关系:R=C(速度)* δf(频率差) /2/K(调频斜率)。因为光速 C 和调频斜率K已知,因此算出频率差δf,便可得到雷达安装位置到液面的距离R ,再通过已知的安装高度,减去雷达到液面的空间距离(简称空高),得出液位的高度。
调频连续波雷达水位计的通用原理为工作在 76-81GHz 的调频连续波(FMCW)雷达产品在安装位置发射电磁波,电磁波碰到介质反射后被雷达接收,接收信号与发射信号之间的频率差δf和介质表面的距离R成一定比例关系:R=C(速度)* δf(频率差) /2/K(调频斜率)。因为光速 C 和调频斜率K已知,因此算出频率差δf,便可得到雷达安装位置到液面的距离R ,再通过已知的安装高度,减去雷达到液面的空间距离(简称空高),得出液位的高度。
应用场景:河道,湖泊,水库,窨井等水位测量的各种场景。

※ 工业级毫米波射频芯片,发射能量更大,更高的信噪比,更小的盲区。 ※
5GHz 工作带宽,使产品拥有更高的测量分辨率与测量精度。
※ 一体化42mm透镜设计,外观精巧,波束角小,受外界干扰小。 ※
位计带水平仪,便于调整安装角度使之垂直水面
※ 低功耗电路设计,寿命长。
※ 支持手机蓝牙调试,方便现场人员维护工作。
※ 自适应软件滤波算法,对虚假回波信号进行有效区分和排除。
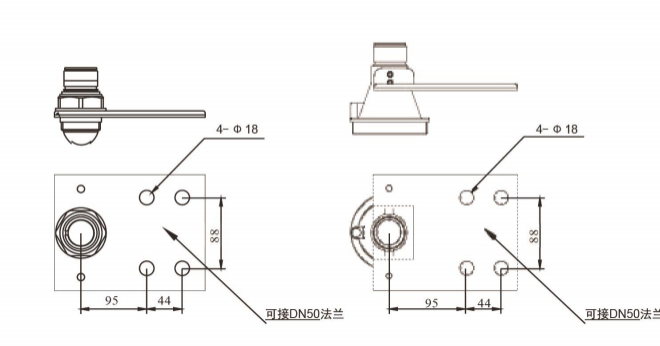
主体结构尺寸

T型支架尺寸(选配)

安装需要注意的两点:
(1)保证仪表垂直于水面
(2)避免发射波束照射到干扰物,产生虚假回波。典型工况参见以下几点。保证水位计垂直于水面安装,倾斜将接受信号幅度变弱,影响正常测距。

仪器安装位置示意图
保证波束范围内没有干扰物,如河岸岸边

| 项目 | 参数 |
|---|---|
| 测量范围 | 标配30米 可延长至80米 |
| 波束角 | 6° |
| 频率范围 | 76GHz~81GHz |
| 通讯方式 | RS485或4-20mA |
| 防护等级 | IP68 |
| 工作温度 | -30~75℃ |
| 调试设参 | 蓝牙 |
| 电缆入口 | M14接头 |
| 测量精度 | ±1mm |
| 测量盲区 | 100 mm |
| 工作带宽 | 5GHz |
| 供电电压 | 9-28V DC |
| 天线类型 | 透镜天线 |
| 天线尺寸 | 42mm透镜 |
| 安装方式 | 支架/螺纹 |
| 外壳材质 | PTFE/ABS工程塑料 |